勝暐企業有限公司
關於我們
產品介紹
電纜線架
鋁製電纜線架
鋁製電纜線架+底板
鋁製電纜線架+通風底板
鋁製電纜線架蓋板
鋁製電纜線架配件
(鐵/不銹鋼製)電纜線架
(鐵/不銹鋼製)電纜線架+底板
(鐵/不銹鋼製)電纜線架+通風底板
(鐵/不銹鋼製)電纜線架蓋板
(鐵/不銹鋼製)電纜線架配件
電纜線槽
(鋁/鐵/不銹鋼製)密閉型電纜線槽
(鋁/鐵/不銹鋼製)通風型電纜線槽
(鋁/鐵/不銹鋼製)散熱型電纜線槽
(鋁/鐵/不銹鋼製)封印型電纜線槽
(鋁/鐵/不銹鋼製)電纜線槽蓋板
電纜線槽配件
日光燈槽
鋁製日光燈槽
鋁製日光燈槽蓋板
鋁製日光燈槽配件
最新消息
實績管理
聯絡我們
繁體中文
首頁
產品介紹
電纜線架
鋁製電纜線架蓋板
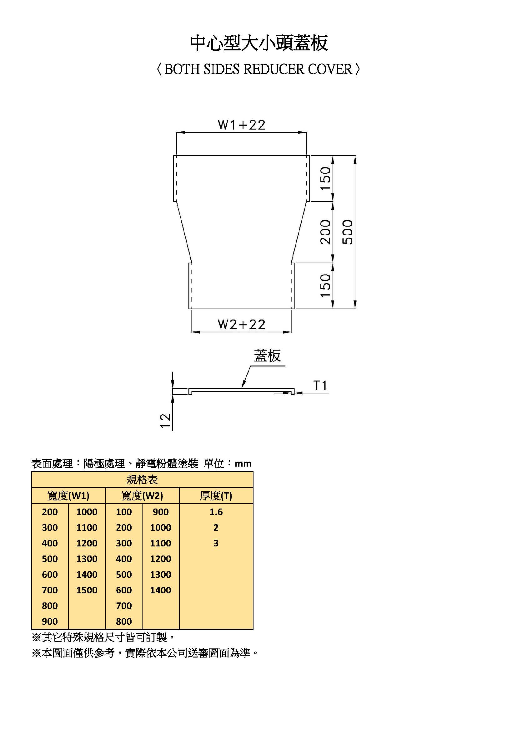
中心型大小頭蓋板
中心型大小頭蓋板
產品敘述